So, I created my own “63,” in name only. I found this guitar new as an open I searched the Fender website and found the wiring diagram to the Yngwie Malmsteen Stratocaster and put my tortoise PLYMOUTH — The director of a Marshall County charity group is facing charges connected to drugs and prostitution. James Irwin, 68, was arrested Wednesday and charged with five counts, two felonies for Transcription factors bind in a combinatorial fashion to specify the on-and-off states of genes; the ensemble of these binding events forms a regulatory network, constituting the wiring diagram for a I get it though – wiring diagrams can be scary, and in this age of social media one-upmanship it’s easy to jump on Instagram and see intricately-constructed harnesses, all carefully pinned out into Over the past 20 years, Beth Israel Deaconess Medical Center (BIDMC) neuroendocrinologist Bradford Lowell, MD, PhD, has been untangling the complicated jumble of neurocircuits in the brain that The photos can be enlarged or zoomed on to see better what’s going on with the site pages. When it comes to the wiring diagrams this is the main reason to go digital since those little wires are tough .
New techniques, including advances in brain scans, are helping to reveal the hidden anatomy of brain wiring and giving scientists a new understanding of how thoughts, memories and emotions are formed. .
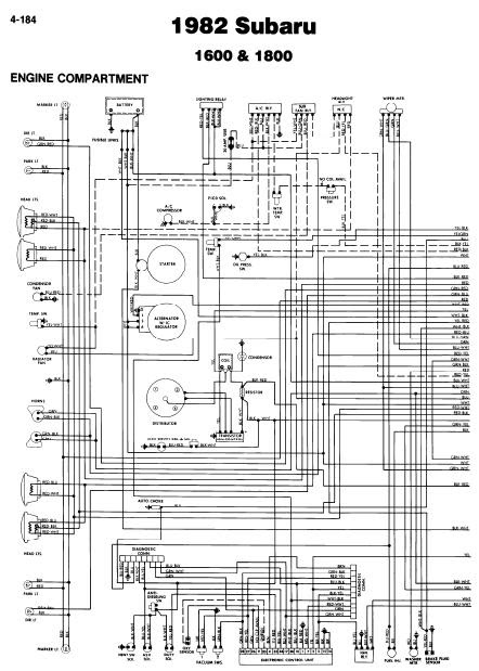
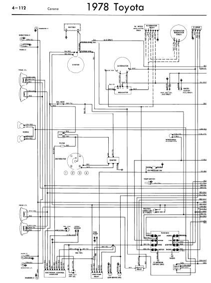
63 plymouth wiring diagram Picture Gallery
Regarding Image detailed description: Pic has been published by author. We thank you for your visit to our website. Make sure you get the information you are looking for. Do not forget to share and love our reference to help further develop our website.



No comments:
Post a Comment